聯系人:陸經理 18861601720
錢經理 18262289589
電話:0510-85625533
0510-85626633
0510-85626622
傳真:0510-85627088
地址:無錫市濱湖經濟技術開發區大通路509號
不銹鋼膜盒壓力表
產品分類:膜盒壓力表
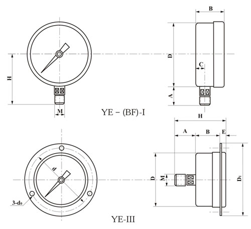
YE-系列膜盒壓力表 適用于測量對銅合金不起腐蝕作用,無爆炸危險的微壓和負壓。廣泛應用于鍋爐通風和氣體管道 等設備上,本儀表可以就地安裝并現場指示。 不銹鋼膜盒壓力表是參照普通膜
訂購熱線:0510-85625533
產品詳情
|
|||||||||||||||||||||||||||||||||||||||||||||||||||||||||||||||||||||||||||||||||||||||||||||||||||||||||||||||||||||||||||||||||||||||||||||||
| 外形尺寸 | |||||||||||||||||||||||||||||||||||||||||||||||||||||||||||||||||||||||||||||||||||||||||||||||||||||||||||||||||||||||||||||||||||||||||||||||
![]() |
|||||||||||||||||||||||||||||||||||||||||||||||||||||||||||||||||||||||||||||||||||||||||||||||||||||||||||||||||||||||||||||||||||||||||||||||
|
|||||||||||||||||||||||||||||||||||||||||||||||||||||||||||||||||||||||||||||||||||||||||||||||||||||||||||||||||||||||||||||||||||||||||||||||
| 訂貨須知 | |||||||||||||||||||||||||||||||||||||||||||||||||||||||||||||||||||||||||||||||||||||||||||||||||||||||||||||||||||||||||||||||||||||||||||||||
|
訂貨時,請明確名稱、型號、材質、測量范圍及工作溫度(很重要)。 其次,被測壓力的單位,一般為Kpa,如要mmH2O,mmHg或其他單位則需定制標牌。 |
|||||||||||||||||||||||||||||||||||||||||||||||||||||||||||||||||||||||||||||||||||||||||||||||||||||||||||||||||||||||||||||||||||||||||||||||
- 上一個產品:上一篇:膜盒壓力表
- 下一個產品:下一篇:沒有了!









































![[field:text/]](/uploads/allimg/181217/1-1Q21H05432.jpg)
![[field:text/]](/uploads/allimg/181217/1-1Q21H05432-50.jpg)



