聯系人:陸經理 18861601720
錢經理 18262289589
電話:0510-85625533
0510-85626633
0510-85626622
傳真:0510-85627088
地址:無錫市濱湖經濟技術開發區大通路509號
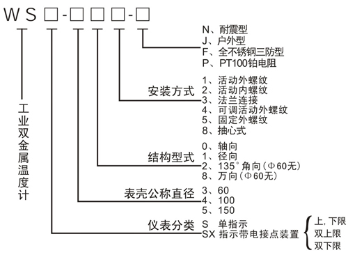
電接點溫度計
產品分類:電接點溫度計
WS(SX)-系列雙金屬(電接點)溫度計 適用于中低溫現場檢測,可直接測量液體、氣體和蒸汽溫度,具有無汞害、指示清晰、堅固、耐震。儀表全部采用不銹鋼材料,具有良好的防水、防腐性能。
訂購熱線:0510-85625533
產品詳情
|
||||||||||||||||||||||||||||||||||||||||||||||||||||||||||||||||||||||||||||||||||||
|
||||||||||||||||||||||||||||||||||||||||||||||||||||||||||||||||||||||||||||||||||||
|
||||||||||||||||||||||||||||||||||||||||||||||||||||||||||||||||||||||||||||||||||||
|
|
|||||||||||||||||||||||||||||||||||||||||||||||||||||||||||||||||||||||||||||||||||
|
||||||||||||||||||||||||||||||||||||||||||||||||||||||||||||||||||||||||||||||||||||
|
||||||||||||||||||||||||||||||||||||||||||||||||||||||||||||||||||||||||||||||||||||
|
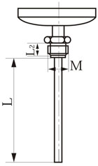
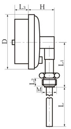
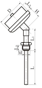
溫度計套管應用 當工藝過程存在高壓、高流速或腐蝕性的情況,雙金屬溫度計本身的保護管不能適用于這樣的條件時,以及要求未裝儀表前工藝管道或設備為密閉系統的場合,應采用溫度計套管,以保證安全和正常操作。對于中、低壓介質宜選用直形或錐形鉆孔管式溫度計套管;對于被測介質流速較高或要求溫度計套管有高強度的場合,應選用錐形鉆孔式套管;對于要求減小阻力或減小熱響應時間的場合,可選用階梯形溫度計套管。 |
||||||||||||||||||||||||||||||||||||||||||||||||||||||||||||||||||||||||||||||||||||
|
|
|||||||||||||||||||||||||||||||||||||||||||||||||||||||||||||||||||||||||||||||||||
|
安全警告 為安全起見,請選擇正確型號的產品,如若產品的選擇或使用不當,將可能會導致財產的損失或人身的傷害,系統的設計者及用戶應當完全負責選擇正確的產品和按照正確的方法使用產品 |
||||||||||||||||||||||||||||||||||||||||||||||||||||||||||||||||||||||||||||||||||||
- 上一個產品:上一篇:電接點溫度計
- 下一個產品:下一篇:沒有了!









































![[field:text/]](/uploads/allimg/181217/1-1Q21GTT9.jpg)
![[field:text/]](/uploads/allimg/181217/1-1Q21GTT9-50.jpg)























